■ FEATURES
·400A Contact switch capacity,Small volume;
·A set of bridge type N.O.contacts contact circuit has "+", "-" polarity;
·Coil with energy saving device,the max hold in power consumption is 4.5W.
·Using ceramic brazing technology,the contact part is sealed with hydrogen gas.The contact does not oxidize,can quickly cut off in the dc high voltage;
·Application:Telecom equipment、Solar system、Engineering machinery、Electromobile、Electric vehicle、Charging system、Train、Ships、UPS etc.;
■ SPECIFICATION
|
Contact Data |
Contact form |
1H(SPST-NO) |
|||
|
Rated load(Resistive load) |
400A |
||||
|
Min applicable load (Resistive load) |
1A/12VDC |
||||
|
Max switch current |
2500A(320VDC)1 cycle |
||||
|
Max switch voltage |
1000VDC |
||||
|
Contact voltage drop(initial) |
≤80mV@400A |
||||
|
Current carrying capacity(a) |
400A : continued |
||||
|
600A:60min |
|||||
|
1200A: 20min |
|||||
|
3000A: 30s |
|||||
|
Electrical Performance |
Insulation resistance |
≥100MΩ(1000VDC) |
|||
|
Dielectric strength |
Between open contacts |
3000VAC 1min |
|||
|
Between contacts and coil |
2500VAC 1min |
||||
|
Pick-up time (at 20℃ rated volt.) |
≤30ms (Excluding contact bounce) |
||||
|
Release time (at 20℃ rated volt.) |
≤30ms |
||||
|
Contact bounce time (at 20℃ rated volt.) |
≤5ms |
||||
|
Impact resistance |
Stability |
Half-sine shock pulse:11ms Test time:10μs |
ON: 196m/s²(above 20G) |
||
|
OFF: 98 m/s²(above 10G) |
|||||
|
Strength |
Half-sine shock pulse:6ms
|
590 m/s²(above 50G) |
|||
|
Vibration resistance |
10Hz~500Hz 49 m/s²(above 5G) |
||||
|
Cycles |
Electrical life(b) |
400A 450VDC |
≥3,000 cycles |
||
|
400A 750VDC |
≥1,000cycles |
||||
|
Mechanical life |
≥200,000 cycles |
||||
|
Conditions of usage |
Operating environment、transport, storage environment. |
Temperature -40℃~+85℃ |
|||
|
Humidity5%~85%RH(No ice, no condensation) |
|||||
|
Product installation mode |
Arbitrarily |
||||
|
Weight |
0.8kgs |
||||
■ Product Model Define

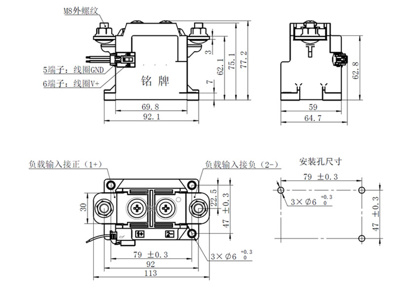
■ Outline mounting dimension and circuit diagram

English
한국어




